全國服務熱線
熱門文章
- 交直流接觸器不可以互用的原因分析交直流接觸器不可以互用的緣故: 從構造上交流接觸器的線圈匝數少,直流接觸器的線圈匝數多,從線圈的容積能夠區別了針對主電源電路電流過大的狀況(Ie>250A)的狀況下,接觸器選用串接雙繞…2019-10-29
- 單極直流接觸器工作環境標準直流接觸器適用于工作電壓440、電流量600下列的整流電路。其構造與原理大部分與直流接觸器同樣,即由線圈、鐵芯、銜鐵、觸頭、滅弧設備等一部分構成。所不一樣的是除觸頭電流量和線圈工作電壓為直流電外,主觸頭大多數采用翻轉觸碰的指形觸頭,輔助工具觸頭則采用點接觸的橋形觸頭。直流接觸器功效于軟啟動器上必須哪些規定?鐵芯由一…2019-10-29
- 直流接觸器技術性優勢以及特性單極直流接觸器適用于直流電額定值工作中電流量50A-400A,額定值工作頻率48V的電源電路中,適用程控電源或ups電源系統軟…2019-10-29
- 單極直流接觸器可否功效于變頻器上?現階段在國內變頻器上應用的單極直流接觸器,其適用于操縱dc48v的直流穩壓電源,在通信電源,電瓶叉車等機器設備上被普遍應用,但其絕緣電壓為僅有60v。 …2019-10-29
- 拆換直流接觸器常見問題新換直流接觸器的額定電流應與機床設備的工作電壓一致或略大一點;如機床設備的工作電壓是384伏,則新換接觸器的額定電流以采用380^-504伏為宜。 …2019-12-10
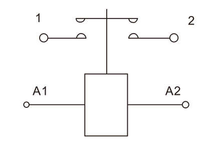
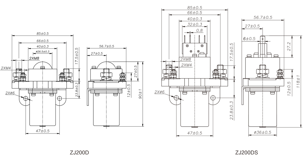
產品主要使用于電瓶車、電動叉車、電動絞盤、電動汽車、挖掘機、汽車空調、通訊電源等直流電源系統的電源通斷控制。
·訂貨規范
例:ZJ200D/12V
主觸點一常開,額定電壓不大于DC80V,電流200A,線圈電壓規格為DC12V的直流接觸器




熱品推薦 / Hot product
-
-
產品主要使用于電瓶車、電動叉車、電動絞盤、電動汽車、挖掘機、汽車空調、通訊電源等直流電源系統的電源通斷控制。 ·訂貨規范 例:ZJ50D/12V 主觸點一常開,額定電壓不大于DC80V,電流50A,線圈電壓規格為DC12V的直流接觸器…
-
-
產品主要使用于電瓶車、電動叉車、電動絞盤、電動汽車、挖掘機、汽車空調、通訊電源等直流電源系統的電源通斷控制。 ·訂貨規范 例:ZJ100D/12V 主觸點一常開,額定電壓不大于DC80V,電流100A,線圈電壓規格為DC12V的直流接觸器…
在線留言
站點地圖





在線咨詢


